廃プラリサイクル工場
プラスチック製容器包装リサイクル
廃プラリサイクル工場
プラスチック製容器包装リサイクル
廃プラリサイクル工場プラスチック製容器包装リサイクル
主に、家庭から排出され、市町村が分別収集した使用済みのプラスチック製容器包装をマテリアル(材料)リサイクルしています。

廃プラスチックリサイクル工場(本社工場)
秋田県湯沢市小野字上川原13番地1
TEL 0183-52-5320 FAX 0183-52-4437

第二工場(秋田市)
秋田市飯島字穀丁大谷地157-5
TEL 018-880-5301 FAX 018-880-5302
ISO認証登録書ISO Certificate of Registration
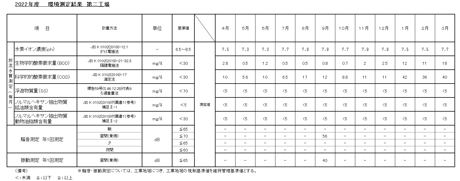
環境測定結果ENVIRONMENTAL MEASUREMENT RESULTS


RECYCLINGリサイクル方法(再商品化手法)には?


再資源化後のリサイクル製品例


他に住宅基礎パッキン、日用雑貨品など
FLOWプラスチック製容器包装リサイクルの流れ






